【产品用途】
D71X、D371X、D671X、D971X型中线对夹式蝶阀公称压力≤1.6MPa的食品、制药、化工、石油、电力、轻纺、造纸等给排水、气体管道上作调节流量和截流介质的作用。
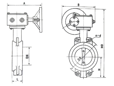
【结构示意图】

【阀门型号】
常见的中线对夹式蝶阀型号有:d71x、d371x-10、d371x-16、d371x-25、d371f-10、d371f-16、d671x-6、d671x-10、d671x-16、d671f-10、d671f-16、d971x-6、d971x-10、d971x-16、d971f-10、d971f-16等。
【产品特点】
1、结构简单紧凑、小型轻便,容易拆装及维修,并可在任意位置安装。
2、90°回转,启闭迅速。
3、由扭矩产生弹性密封,密封可靠。
4、选择不同零部件材质,可适用于多种介质。
【执行标准】
设计规范: GB/T 12238
结构长度: GB/T 12221
法兰连接: GB/T 9113
试验与检验:GB/T 13927
【性能参数】
| 工作压力(MPa) | 1.0~1.6 (PN10-PN16) | |||
| 适用温度(℃) | ≤180℃ | |||
| 适用介质 | 空气、水、蒸气、煤气、油品等 | |||
| 材料 | 阀体 | 铸铁 球铁 碳钢 不锈钢 铝合金 | ||
| 蝶板 | 球铁 碳钢 不锈钢 铝合金 | |||
| 铸铁 | 2Cr13 F304 F316 | |||
| 阀杆 | 橡胶 NBR EPDM PTFE | |||
| 密封面 | 填料柔性石墨 PTFE | |||
【外形尺寸】
| DN | L | H | H0 | A | B |
| 50 | 43 | 63 | 306 | 180 | 200 |
| 65 | 46 | 70 | 321 | 180 | 200 |
| 80 | 46 | 83 | 346 | 180 | 200 |
| 100 | 52 | 105 | 387 | 180 | 200 |
| 125 | 56 | 115 | 411 | 180 | 200 |
| 150 | 56 | 137 | 447 | 270 | 280 |
| 200 | 60 | 164 | 572 | 270 | 280 |
| 250 | 68 | 206 | 646 | 270 | 280 |
| 300 | 78 | 230 | 738 | 380 | 420 |
| 350 | 78 | 248 | 761 | 380 | 420 |
| 400 | 102 | 289 | 877 | 450 | 470 |
| 450 | 114 | 320 | 938 | 480 | 490 |
| 500 | 127 | 343 | 993 | 480 | 490 |
| 650 | 154 | 413 | 1131 | 480 | 490 |
| 700 | 165 | 478 | 1476 | 640 | 660 |
| 800 | 190 | 525 | 1533 | 640 | 660 |
| 900 | 203 | 585 | 1655 | 750 | 860 |
| 1000 | 216 | 640 | 1765 | 850 | 900 |
| 1200 | 254 | 755 | 1995 | 850 | 900 |
声明:本文中所有文字、数据、图片均只适用于参考,性能参数、结构尺寸参数、液动蝶阀价格等详情,请联系我们,电话:021-59170722!






<
<
<
<
<
<
<
<
<
<
